Forschungsprojekte
Public Juling > Herbert > Wissenschaft und Forschung > Forschungsprojekte > Denkmalpflege

Mikroskopische Beurteilung von Reinigungsverfahren an Sandsteinen

gefördert durch die Deutsche Bundesstiftung Umwelt (DBU), abgeschlossen: 1998

Diplomarbeit von Tadeus Pache:
Zum Verwitterungsverhalten des Württemberger Buntsandsteins - vom bruchfrischen Zustand zur Krustenbildung und deren Entfernung -

Einleitung und Zielsetzung

Das Münster in Freiburg, Blick vom Marktplatz auf den Turm. Deutlich sind bereits ausgetauschte (helle) Werksteine neben starkverschmutzten Quadern zu erkennen.

In den mesozoischen Randschollen der Schwarzwälder Vorbergzone steht zwischen Emmendingen und Diersburg Württemberger Buntsandstein an, der seit Jahrhunderten als Bauwerkstein abgebaut wird. Der kieselig gebundene Bausandstein des mittleren Buntsandsteins lieferte gute Werksteine, die in vielen profanen und sakralen Bauwerken des Schwarzwälder Raums Verwendung fanden. Das bedeutendste Bauwerk mit Württemberger Buntsandstein ist das Freiburger Münster, dessen Werksteine aus den Steinbrüchen der Freiamter Region (Blatt 7813 Emmendingen) stammen.
Durch die jahrhundertelange Exposition der bearbeiteten Sandsteine ist es zu Oberflächenveränderungen an den Bauwerken gekommen. Diese stören nicht nur den ästhetischen Eindruck, auch die originale Oberfläche und die bauphysikalischen Eigenschaften werden durch die Verwitterungsprozesse verändert. Um weitergehende Schadensprozesse an Bauwerken zu unterbinden, ist eine Reinigung der Werksteine mit anschließender Festigung des verwitterten Oberflächenbereichs oder der Austausch des Materials notwendig.
Die mit der Reinigung von Werksteinen verbundenen mechanischen Beanspruchungen können neben Gefügelockerungen und Substanzverlust auch zum Eintrag von Teilen der Schmutzschicht und den darin enthaltenen Salzen in den Werkstein führen. Um langfristige Schädigungen der Werksteine zu verhindern, ist daher eine begleitende mikroskopische Untersuchung während der Reinigungsmaßnahmen unabdingbar.

Systematische Untersuchungen über Reinigungsverfahren liegen aber bisher nicht vor. Um die verschiedenen Stadien vom bruchfrischen bis zum schmutzbedeckten Material erfassen zu können und das Reinigungsverhalten exemplarisch zu charakterisieren, wurde in dieser Arbeit das Vorkommen des Lahrer Buntsandsteins, ein Typ des Württemberger Buntsandsteins, kartiert, mineralogisch-geochemisch analysiert und sein Verwitterungsverhalten untersucht.
Dieses Projekt diente gleichzeitig der Optimierung eines vom Institut für Baumaschinen und Baubetrieb (ibb) in Aachen entwickelten Reinigungsverfahrens durch die Amtliche Materialprüfungsanstalt Bremen (MPA), an dem auch das Fachgebiet Mineralogie der Universität Bremen beteiligt war.

Methodik

Während der Geländearbeit in Lahr/Schwarzwald (Blatt 7613 Lahr/Schwarzwald-Ost) wurden 38 Proben genommen, wobei der Schwerpunkt im Bereich des Bausandsteinhorizonts lag. An weiterem Probenmaterial standen zwei ausgetauschte Werksteinplatten vom südlichen Querhaus des Freiburger Münsters zur Verfügung.
Die Bestimmung der chemischen Zusammensetzung des Probenmaterials erfolgte durch einen Röntgenspektrometer. Neben der Lichtmikroskopie wurden röngtendiffraktometrische und infrarotspektrometrische Methoden zur Mineralphasenanalyse angewendet.
Die ausgetauschten Werksteinplatten des Freiburger Münsters wurden im Reinigungsversuchsstand des ibb mit dem Partikelstrahlverfahren bei unterschiedlichen Parametern gereinigt. Als Strahlmittel wurden Glasperlen (rund) und Glasbruch (kantig) mit verschiedenen Korngrößenfraktionen bis zu 230 µm Durchmesser mit einem Druck von 2 bar auf die verschmutzte Oberfläche gestrahlt. Die Testreinigungen erfolgten unter konstanten Arbeitsbedingungen (Vorschubgeschwindigkeit, Strahlwinkel, Abstand), so daß eine etwa 8 cm2 große Fläche gereinigt wurde.
Für Frost-Tau-Wechsel-Versuche wurde das Probenmaterial (bruchfrische, ungereinigt, gereinigt) einerseits unter Wasserbedeckung, andererseits auf einem Drahtnetz etwa 1 cm oberhalb der Wasserlinie 24 Stunden lang gelagert. Die wassergesättigte Lagerung der Sandsteinkörper diente zur Erfassung maximaler Schädigung des Gefüges infolge der eintretenden Eissprengung während die luftfeuchte Lagerung ähnliche Schadensbilder simulieren sollte wie sie unter natürlichen, bzw. baulichen Gegebenheiten auftreten. Die derart präparierten Sandsteinkörper wurden im Klimaschrank des ibb in Aachen 28 Frost-Tau-Zyklen in Anlehnung an DIN 52104 unterworfen.
Querschnittspräparate der Sandsteine wurden im Rasterelektronenmikroskop (REM) und im Feldemissionsrasterelektronenmikroskop (FEREM) an der MPA Bremen untersucht, die mit einer energiedispersiven Röntgenmikroanalyse (EDX) ausgestattet sind.

Ergebnisse

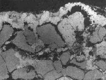
Der Bausandstein ist ein fein- bis mittelkörniger, feldspatführender Gesteinsbruchstücksandstein. Das Gefüge ist korngestützt. Die Kornbindung erfolgt direkt über kieselige Bindung, nur untergeordnet auch indirekt durch tonig-ferritische Häutchen. Durch braune Eisenoxidhydratsäume sind die Korngrenzen nachgezeichnet. Im verwitterten Oberflächenbereich des Sandsteins ist das Gefüge gelockert, so daß sich einzelne Körner, Bruchstücke oder kleine Schuppen ablösen.

Bildbreite = 335 µm
FE-REM Aufnahme am Querbruch des Bausandsteins. Im Zentrum ist der Rest eines verwitterten Feldspats, im unteren Bildbereich sind idiomorphe Quarzanwachssäume zu erkennen. Oben links liegt Kaolinitin typischer pseudohexagonaler Stapelfolge vor.
Bildbreite = 335 µm
FE-REM Aufnahme am Querbruchs des Bausandsteins. Im Zentrum sind pseudohexagonale Kaolinitstapel zu erkennen, die als Verwitterungsprodukt der im Hintergrund liegenden Feldspatreste zu interpretieren sind. Im linken Bildbereich sind idiomorphe Quarzanwachssäume und ein kleiner authigener Quarzkopf zu erkennen.

Quarz ist Hauptkomponente. An Feldspäten treten ausschließlich Orthoklas und Mikroklin auf. Der Feldspat zeigt keine diagenetischen Anwachssäume, die Kornbindung mit den Komponenten des Sandsteins werden über Quarzanwachssäume aufgebaut. Innerhalb einer Schicht ist der Feldspat unterschiedlich erhalten. Neben den ausgelösten und kaolinisierten Feldspäten treten in einzelnen Horizonten serizitisierte Feldspäte im Sediment auf. Sie sind in situ entstanden; da mechanisch instabil.
Illit als häufigstes Schichtsilikat im Württemberger Buntsandstein tritt detritisch als dünner Belag entlang von Komponenten und als eingeschuppte Tonlinsen auf. Sekundär gebildeter Sericit ist feinfaserig als radialstrahlig palisadenartiger Überzug vor allem an Quarzen häufig zu finden; auch tritt er vereinzelt porenfüllend auf. An detritischen Glimmern überwiegt blättchenartiger Muskovit. Kaolinit tritt ebenfalls diagenetisch porenfüllend bzw. pseudomorph nach Feldspat auf.

An Gesteinfragmenten sind Bruchstücke von Kieselschiefer und Quarz-Glimmerschiefer häufig. Myrmekit als magmatisches Relikt ist gelegentlich, sekundär umgewandelte permische Glaspartikel sind stets vorhanden. Der überwiegende Teil der Akzessorien besteht aus Hämatit. Untergeordnet treten gerundeter Rutil, Anatas, Turmalin und Apatit auf. Zirkone liegen fast ausschließlich als Einschlüsse in Quarzen vor.
Im Bereich mineralisierter Störungen tritt Baryt in Form kleinerer Gängchen auf, in dessen Umgebung der Buntsandstein entfärbt ist. Auch Hämatit kommt feinkristallin als dünne Blättchen mit hexagonalem Habitus als Neubildung im Sandstein vor.
Der Mineralbestand der Bauwerksproben vom südlichen Querhaus des Freiburger Münsters zeichnet sich im Vergleich zum Bausandstein durch einen erhöhten Kaolinitgehalt, bei gleichzeitiger Abnahme des Feldspatgehaltes aus. Die augenscheinlich erhöhten Glimmergehalte im Vergleich zum mittleren Gehalt im Bausandstein liegen innerhalb der Schwankungsbreite und sind demnach nicht als verwitterungsbedingte Anreicherung zu verstehen.
Infolge des anthropogenen Einflusses sind jedoch die Gehalte an Cu, Ni, Pb und Zn im Oberflächenbereich des Freiburger Münsters gegenüber dem Sandstein erhöht. Die Untersuchungen der verwitterten Probenoberflächen zeigen zudem eine signifikante Ca- und S-Zunahme im Oberflächenmaterial des Bausandsteins.


Bildbreite = 840 µm
FE-REM Aufnahme eines Anschnitts aus dem Oberflächenbereich einer verwitterten Bausandsteinprobe aus dem aufgelassenen Steinbruch in Lahr. Die Außenseite des Sandsteins wird von einer etwa 200 µm dicke Außenkruste aus grobspätigem und faserigem Gips aufgebaut,die den Porenraum verschließt. Nach innen folgt ein, infolge der Frostsprengung stark gestörter, mehrere Millimeter mächtiger Bereich mit deutlichen Gefügelockerungen, die neben der Aufhebung der Kornkontakte auch durch intragranulare Risse v.a. an Feldspäten gekennzeichnet ist.

Bildbreite = 1,3 mm
FE-REM Aufnahme eines Anschnitts aus dem Oberflächenbereich einer verwitterten Bausandsteinprobe aus dem aufgelassenen Steinbruch in Lahr. Auf der Außenseite des Sandsteins hat sich eine etwa 250 µm dicke Außenkruste gebildet, die im Gegensatz zur faserigen Innenkruste aus grobspätigem Gips besteht und den Porenraum nach innen abschließt. Der durch Frostsprengung gelockerte Kornverband wird zum Teil durch Gipsneubildungen sekundär stabilisiert.

Die Verschmutzungen unterscheiden sich in ihrem Aufbau grundlegend. Treten bei den exponierten Lagen des Bausandsteins im Gelände nur geringmächtige Schmutzfilme auf, so kommt es in geschützten Lagen im aufgelassenen Steinbruch zur Krustenbildung. Am Freiburger Münster ist die Verschmutzung überwiegend nur geringmächtig ausgebildet, jedoch treten auch hier in regengeschützten Bereichen dicke, gipsführende Krusten auf.
Der Krustenaufbau der Probe des alten Steinbruchs zeigt eine deutliche Zweiteilung; eine Außenkruste von 500 µm Mächtigkeit mit grobspätigem Gips auf der Sandsteinoberfläche und eine 1 mm mächtige Innenkruste.

Dieser Bereich liegt innerhalb der Verwitterungszone des Sandsteins und zeichnet sich durch einen stark gelockerten Kornverband mit eingelagertem, feinkörnigen Gips aus. Die dem Sandstein auflagernde Außenkruste verschließt den Porenraum zur Oberfläche hin. Infolge dieser Versiegelung der Oberfläche kann das Wasser aus dem Sandstein nicht mehr verdunsten, so daß es bei Frost zur Eissprengung im Oberflächenbereich kommt. In den so gelockerten Bereich des Sandstein dringt weiterer Gips vor, der durch zusätzliche Salzsprengung und thermisch-hygrischer Dehnung das Gefüge lockert.
Der Oberflächenbereich der Werksteinprobe vom Freiburger Münster zeigt ein anderes Schadensbild. Der Sandstein wird von einer dünner Schmutzschicht überlagert, die nur vereinzelt in die oberste Kornlage vorgreift. Das Material besteht überwiegend aus siedelnder Biologie mit eingelagerten Schmutzpartikeln sowie amorphen Eisenphasen, untergeordnet tritt Gips auf. Aufgrund stetigen Feuchtewechsels und Auswaschungen durch Niederschläge ist eine Außenkruste nicht entwickelt.
Innerhalb der Verwitterungszone des Werksteins kommt es wie bei der Geländeprobe zu Gefügelockerungen infolge Frostsprengung sowie zur Feldspatlösung und Neubildung von Kaolinit, der in seiner typischen pseudohexagonalen Buchstapelstruktur vorliegt. In Bereichen mit höheren Schichtsilikatgehalten kommt es zur Schalenbildung bis hin zum Ablösen der Oberfläche.
Durch die auflagernde Schmutzschicht ist der Porenzugang von der Oberfläche des Bausandsteins am Freiburger Münster teilweise verengt worden und zeigt eine veränderte Wasseraufnahme. Um das ursprüngliche Wasserdampfdiffusionsverhalten des Sandstein wiederherzustellen, ist eine Entfernung des Krustenmaterials notwendig. Da aus denkmalpflegerischer Sicht die Oberflächenstruktur nicht verändert werden darf, ist eine substanzschonende Reinigung erforderlich.

Reinigungs- und Frost-Tau-Wechselversuche

Im Rahmen des Forschungsprojektes "Steinzerfall - Steinkonservierung" wurden vom ibb verschiedene Reinigungsverfahren auf deren Eignung an Naturwerksteinen getestet. Ein auf der Injektorstrahltechnik basierendes trocken angewendetes Partikelstrahlverfahren erwies sich zur substanzschonenden Reinigung als am besten geeignet.
Da bei den vorliegenden Proben das Krustenmaterial sowohl auf der Oberfläche, als auch im oberflächennahen Porenraum vorliegt, ist ein Kompromiß zwischen der Wiederherstellung der ursprünglichen Farbigkeit und der Öffnung des Porenraums einzugehen. Diese wird am besten mit einer Reinigung durch Glasperlen eines Durchmessers von 100-200 µm erreicht, da eine Schädigung des Gefüges nicht auftritt und gleichzeitig der Porenraum zumindest teilweise geöffnet wird.
Wird als Strahlmittel hingegen Glasbruch verwendet, so führt dieses zwar ebenfalls zu einer weitgehend gereinigten Oberfläche, die Komponenten des Sandsteins sind hingegen deutlich beansprucht worden. Bei Glasperlen mit einem Durchmesser <70 µm wird das Krustenmaterial nur unvollständig entfernt.
Alle Probenkörper, die unter Wasserbedeckung den Frost-Tau-Wechsel-Versuchen zugeführt wurden, zeigten unabhängig von der ursprünglichen Oberflächenbeschaffenheit starke Gefügelockerungen in den Außenbereichen. Neben dem Aufbrechen ehemaliger Kornkontakte treten intergranulare Risse auf, die eine oberflächenparallele Richtung nachzeichnen, so daß die Probenkörper nach den Versuchen absanden bzw. abschalen.
Das Gefüge der Sandsteinproben ist nach luftfeuchter Lagerung und 28 Frost-Tau-Wechseln bis in eine Tiefe von durchschnittlich 1 mm entlang aller Außenflächen gelockert worden. Risse innerhalb der Komponenten treten vereinzelt auf, häufen sich jedoch in den Oberflächenbereichen der bewitterten Proben.
Die entlang der gereinigten und ungereinigten Oberflächen auftretenden Rißbildungen deuten auf eine reinigungsunabhängige Schädigung des Gefüges hin, ein Einfluß durch die Reinigung ist nicht nachzuweisen. Als Ursache der Schädigung sind vielmehr bearbeitungs- und verwitterungsbedingte Veränderungen der Oberflächenbereiche anzunehmen. Derart angelegte Schwächezonen werden infolge der Eissprengung aufgeweitet und somit sichtbar. In Zwischenschichten von Kaolinit eingelagertes Wasser fördert beim Gefrieren die Zerstörung des Kornverbandes.

Zusammenfassung

Zur Charakterisierung des Verwitterungsverhaltens von Werksteinen an Baudenkmälern sind Kenntnisse der natürlichen verwitterungsbedingten Veränderungen notwendig. Dieses bedeutet im Fall des Württemberger Buntsandsteins, daß u.a. der unterschiedliche Erhaltungszustand der Feldspäte, die Verteilung von Eisenoxidhydraten und das Vorkommen von Kaolinit in Naturaufschlüssen untersucht werden muß, um diese Erkenntnisse mit dem Schadensbild an künstlichen Aufschlüssen (Bauwerke) vergleichen zu können.

► Die in allen Proben häufig zu beobachtenden unterschiedlichen Feldspaterhaltungen innerhalb einer Schicht deuten auf einen prä-diagenetischen Effekt hin.

► Als Verwitterungsprodukt ist der idiomorphe Kaolinit anzusehen. Zudem sind die ehemals carbonatischen Einschaltungen, bzw. Bindemittel gelöst, so daß lediglich die oxidischen eisen- und manganhaltigen Rückstände als Wadflecken/Mulm vorhanden sind.

► Das dem Sandstein auflagernde Verwitterungsmaterial als jüngste Verwitterungserscheinung ist in seiner Zusammensetzung vom Stoffangebot des Sandsteins, vom Stoffeintrag durch Aerosole und der Regenwasserzusammensetzung abhängig. Die Gehalte an Cu, Zn und Pb in den Bauwerksproben des Freiburger Münsters nehmen überproportional zu. Sie sind anthropogenen Ursprungs.

► Während als Calcium- und Sulfatlieferant zur Gipsbildung an Geländeproben vor allem Sickerwasser angenommen werden können, muß das Calcium am Bauwerk aus dem verbauten Fugenmörtel oder durch Lufteintrag der Oberfläche zugeführt werden. Der Schwefel wird durch Lufteintrag im Porenwasser der Sandsteine gelöst ("trockene SO2-Deposition").

► Testreinigungen verschmutzter Werksteine des Württemberger Buntsandsteins führen in Abhängigkeit von den verwendeten Reinigungsparameter zu unterschiedlichen Ergebnissen.

► Aus den Frost-Tau-Wechsel-Versuchen ergibt sich, daß unabhängig von der Vorbehandlung das Material gleichermaßen reagiert.

 

Datenschutzerklärung | Copyright © 2021 : Herbert Juling | login